TEAC UD-505の改造

記事
IT・テクノロジー
前回UD-505-Xを改造しましたが、今回は「X」ではない無印のUD-505を改造します。
【今回の改造内容】
・コンデンサの交換
・オペアンプの交換
・三端子レギュレータへのヒートシンク取り付け
魔改造にならないよう、各種パーツを単純にグレードアップするのが改造の目的です。

【改造前】
ICなどの電源部にはSuncon AXシリーズ(緑色)、その他電源には日ケミKMG(茶色)が使用されております。
IMG_7247.JPEG

コストカットのためか、三端子レギュレータにヒートシンクが未実装となっていることも気になります。
IMG_7250.JPEG

【改造後】
コンデンサの交換、オペアンプの交換、三端子レギュレータへのヒートシンク取り付けといった、シンプルな改造です。
音質に関係のある部位にはPMLCAP、UTSJなど高品質なコンデンサに交換し、電源用コンデンサについても、日本ケミコンLFシリーズに交換しました。
IMG_7355.JPEG

【改造部位の確認】
天板を開け、中の状態を確認します。
UD-505-Xでは、天板がねじで固定されておりませんでしたが、無印のUD-505は天板がネジで固定されています。
IMG_7241.JPG

大きめの緑色のコンデンサが、左右それぞれ4個ずつあります。
内側にある縦並びのものは電源用、XLRの上にある横並びのものは出力カップリングコンデンサですが、容量はすべて同じです。(Suncon AX 470uF)
また、その奥には茶色いコンデンサが左右4個ずつあります。(KMG 220uF)
IMG_7249.JPG

AK4497の両脇にある緑色コンデンサは、VREF(基準電圧)と呼ばれる役割を持ちます。こちらもSuncon AX 470uFです。
IMG_7251.JPG

三端子レギュレータの横にあるコンデンサは5V平滑用のもので、KMG 220uFです。その奥の一際目立つのは4700uFで、トランス電源の平滑用です。
IMG_7250.JPG

基板裏面には、電子ボリュームやオペアンプがあります。
IMG_7252.JPG

【改造に着手】
まずは220uFをUTSJに換装します。背の高さが揃うようにマスキングテープで背の高さを固定します。
IMG_7295.JPG

470uF×4、220uF×8をUTSJに換装しました。
IMG_7296.JPG

続いて、三端子レギュレータにヒートシンクを取り付けます。
IMG_7310.JPG

AK4497→MUSES8820→面実装電解コン(カップリング)→NJW1195Aの経路で信号が流れますが、途中のカップリングコンデンサをPMLCAPに交換しました。
IMG_7315.JPEG

22uF ×2個を2段重ねにして取り付けています。面実装電解コン用のパッドにそのままハンダ付けしました。
IMG_7317.JPG

基板表面の改造が終わりました。
用途別に、次の通りコンデンサを交換しました。
・Suncon AX 470uF(カップリング、VREF)→ 東信 UTSJ
・Suncon AX 470uF(電源用)→ 日ケミ APS
・KMG(電源用)→ 東信 UTSJ
・表面実装型電解コン(カップリング)→ PMLCAP
IMG_7355.JPG

基板裏面は、オペアンプのみ交換対象です。
・MUSES8820(LPF)→ OPA1612
・NE5532(HCLD)→OPA1602
IMG_7474.JPEG

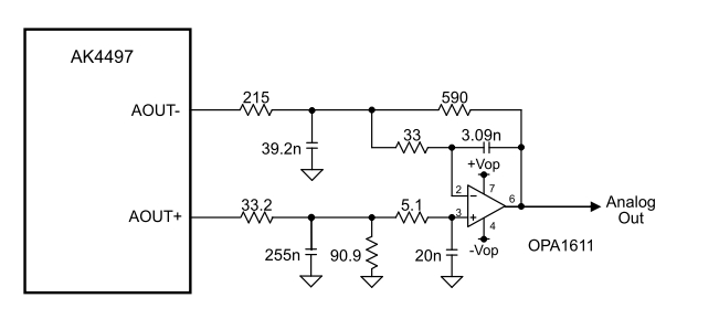
AK4497のデータシートでは、OPA1611(※「OPA1612」はOPA1611の2回路版)がリファレンスで使われています。
UD-505はOPA1612の代わりにMUSES8920が使用されていますので、本来の音が出るようにOPA1612に交換してやります。
無題.png

また、HCLD回路のオペアンプについては、NE5532が使用されておりますので、こちらはOPA1602に交換します。
HCLD回路のオペアンプはTEAC独自の回路となるため参考事例がありませんでしたが、海外のフォーラムでUD-503のNE5532をOPA1656に換装した事例がありましたので、OPA1656よりもGBWが低いOPA1602を採用することにしました。

(diyAudioから引用)
無題.png


ハンダ付け代行のほか、音響機器の改造をお受けしております。
以下のページより、お気軽にご連絡くださいますようお願いいたします。



サービス数40万件のスキルマーケット、あなたにぴったりのサービスを探す ココナラコンテンツマーケット ノウハウ記事・テンプレート・デザイン素材はこちら