2D図面の3D化、3Dモデルの2D図面化、承ります。

記事
IT・テクノロジー
2D図面をいただければ、3Dデータを作成することができます。
PFDでも手書きの図面でも大丈夫です。

3Dデータを頂ければ、2D部品図を作成します。
STEP/IGES/PKGデータに対応しています。

10-2d.JPG

10-3d.JPG



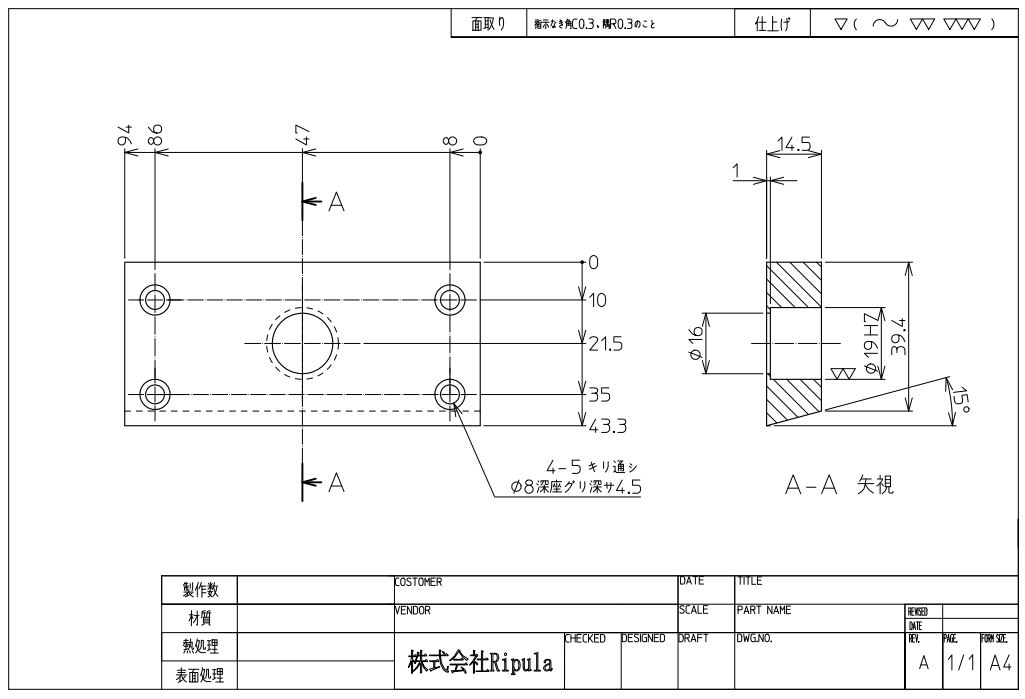
この部品は、位置決め用部品になります。プレート中心の穴にブッシュを埋込み、ピンなどを挿入することで位置決めや回り止めを行います。ブッシュを埋め込む穴には、「はめあい公差」というJIS規格に基づいた精度の穴を開けるよう指示が入っています。はめあい公差は、穴と軸のお互いに決まった精度で下降することで、色々な機能を果たします。一度組むとなかなか外せない[しまりばめ]。ガタの無い組立だが工具を使えば取り外しが可能な[中間ばめ]。抜差し頻度が高いがガタの少ない[すき間ばめ]などがあります。実際に頻繁に使用するのは2~3個の組合せ程度なので、すべて覚える必要はありません。

部品は、3Dデータにすることで、感覚的に形状の全貌がわかります。
購入品も3Dデータをダウンロードすることで、装置全体の3Dモデル化も可能です。

自社製品を3Dモデルにすることで、ユーザーへのプレゼン力を高めたり、社内で上司に説明する場合にも3D化は伝わりやすいと好評です。

いくら社内で3DCADを導入し、オペレーティングのセミナーを受けても、実際は運用方法にこそノウハウがありますので、実用化するまでは時間がかかります。そこで、運用が実用化するまでの期間、外注を一部併用する方法も、ひとつの戦略となります。

ご検討ください。

株式会社Ripula(リプラ)
サービス数40万件のスキルマーケット、あなたにぴったりのサービスを探す ココナラコンテンツマーケット ノウハウ記事・テンプレート・デザイン素材はこちら