電気主任技術者が青焼き・古い電気図面を清書します 見にくい青焼きや手書きの電気図面を現場で使えるPDFに清書! イメージ1
電気主任技術者が青焼き・古い電気図面を清書します 見にくい青焼きや手書きの電気図面を現場で使えるPDFに清書! イメージ2
1/2

電気主任技術者が青焼き・古い電気図面を清書します

見にくい青焼きや手書きの電気図面を現場で使えるPDFに清書!

評価
-
販売実績
0
残り
3枠 / お願い中:0
企画・構成
作成代行
添削
無料修正回数
2回
お届け日数
7日(予定)
ジャンル
業種
言語

サービス内容

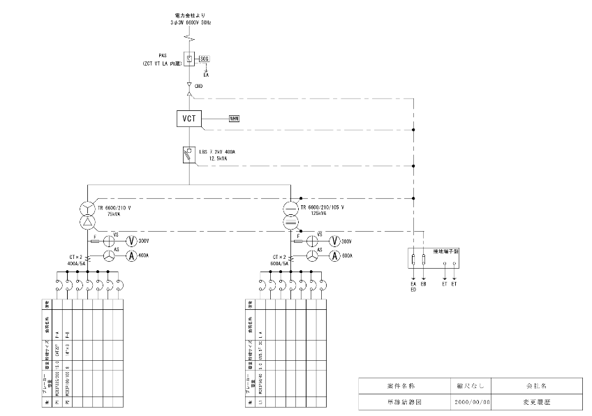
【電気主任技術者が、現場で「本当に使える」電気図面を清書・デジタル化します】 「古い青焼き電気図面しかなく、設備更新の検討がしにくい」 「手書きのスケッチを綺麗なデータにして保存しておきたい」 「管理会社や工事業者に提出するための、正確な単結が必要だ」 こうしたお悩みはございませんか? 現役の電気主任技術者が、単なる「なぞり書き」ではない、実務に即した正確な電気図面を作成いたします。 ■ 本サービスの特徴 ・電気のプロ(電気主任技術者)による作成 10年以上の実務経験に基づき、回路の整合性や受電構成を理解した上で作図します。接地系統(EA・EB・ET・ED)の描き分けなど、保守点検の現場で重要となる細部まで正確に再現します。 ・最新設備への書き換えも対応 古い設備から、最新設備の変更など、現在の設備状況に合わせた修正・書き換えも頂いた情報に基づき、承ります。 ■ 対応図面の種類 ・高圧受変電設備 単線結線図(単結) ・展開接続図(シーケンス図) ・その他、手書きの回路スケッチからのデータ化 ※「これはできる?」というものがあれば、お気軽にご相談ください。 ■ 納品形式 ・基本納品:PDF形式(A3またはA4) ・オプション:Jw_cad(jww)データ納品 ※将来の設備改修や、工事業者様へのデータ受け渡しに便利です。 ■ 料金のご案内 ・基本料金:5,000円〜(図面の複雑さにより変動いたします) ・jwwデータ納品オプション:+1,000円 ・修正対応:2回まで無料 ■ ご依頼後の流れ ・お見積り相談:お手元の図面写真やスキャンデータをお送りください。 ・内容確認:図面のボリュームを確認し、納期と金額をご提示します。 ・制作・確認:作成した図面をご確認いただき、必要があれば修正します。 ・納品:完成データを納品し、お取引完了となります。 ■ 出品者より 横浜エリアを中心に活動しております。一度作成したデータは大切に保管いたしますので、将来の設備変更に伴う修正なども、リピーター様価格でお得に対応可能です。 「図面が古くて困っている」というオーナー様、ぜひお力にならせてください。

購入にあたってのお願い

ご購入前に、まずは「見積り・カスタマイズの相談」にて、元となる図面(写真やスキャンデータ)をお送りください。 【ご確認事項】 ・スマホ撮影の場合は、文字が読み取れる解像度でお願いいたします。 ・複雑な回路や枚数が多い場合は、別途お見積りさせていただくことがございます。 ・頂いた情報に基づき作成いたします。現地調査は含まれませんのでご了承ください。 ・作成した図面は実績として公開させていただく場合がございます(社名や個人名、具体的な数値などは伏せます)。非公開をご希望の方はお申し付けください。 迅速・丁寧な対応を心がけております。お気軽にご相談ください!

有料オプション

5,000