設備投資を考える

記事
ビジネス・マーケティング
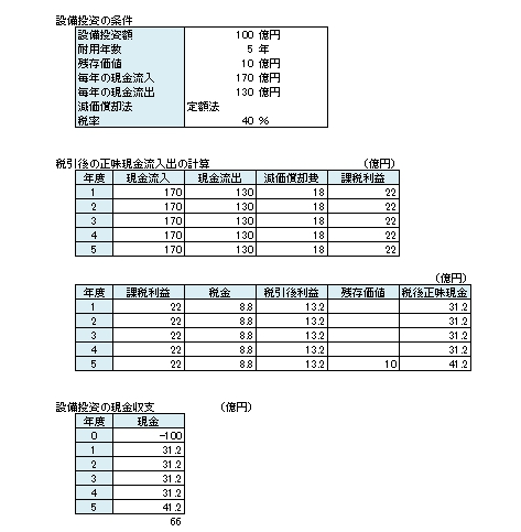
①設備投資額         100億円
②耐用年数             5年
③残価値             10億円
④毎年度の現金流入と現金流出
 ・現金流入         170億円
 ・現金流出         130億円
⑤減価償却法            定額法
⑥税率               40%

1606532967488.jpg


サービス数40万件のスキルマーケット、あなたにぴったりのサービスを探す ココナラコンテンツマーケット ノウハウ記事・テンプレート・デザイン素材はこちら